• 122x32 繪圖型單色顯示模組 | BG12232A1

122x32 繪圖型單色顯示模組 | BG12232A1

● COB with metal frame
● Built-in internal clock
● Built-in controller SBN1661G-M18 or equivalent
● 1/32duty cycle
● +5V single power supply
● LED B/L pins:19/20, or A/K or 1/2
● Option: LED, EL B/L
● Option: +3V single power supply
型號 : BG12232A1

BG12232A1

BG12232A1 是一款單色 122×32 圖形 LCD 顯示模組,採用晶片封裝(COB)製程,並配有金屬框架。

內建時鐘功能與控制器 SBN1661G-M18 或等效控制器。

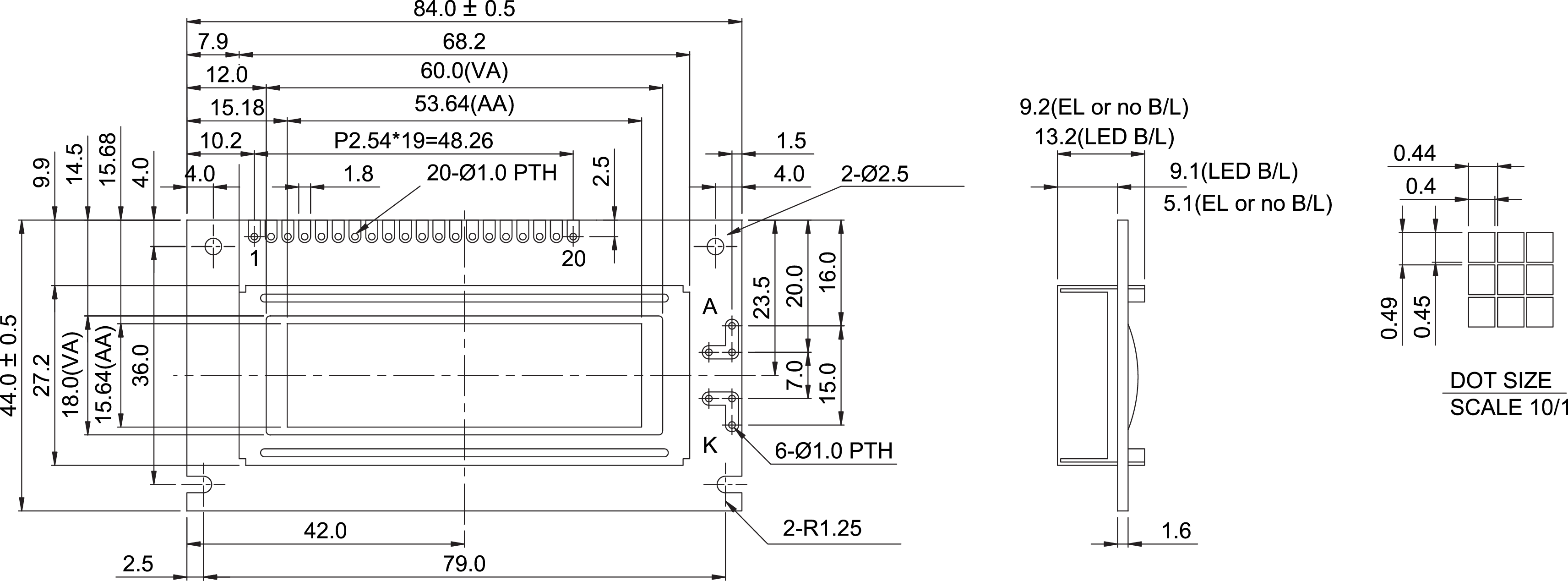
模組尺寸為 (84×44) 毫米,顯示區域為 (60×18) 毫米。

支援 5V 電源供應,並提供 3V 電壓選項。

bg12232a1-drawing.png






● Mechanical Data

Item

Standard Value

Unit

Module Dimension

84.0 x 44.0 

mm

Viewing Area

60.0 x 18.0

mm

Dot Size

 0.40 x 0.45 

mm

Dot Pitch

0.44 x 0.49

mm




 ● Pin Assignment

Pin

Symbol

Function

1

Vss

GND

2

Vdd

+5V (+3V option)

3

Vo

Contrast Adjustment

4

Ao

H>Data  L> Instruction

5

E1

Data Latch For Chip1(S1~S61)

6

E2

Data Latch For Chip2(S62~S122)

7

NC

No Connection

8

NC

No Connection

9

R/W

R/W for 68 serial

10~17

DB0~7

Data bus line

18

/RES

Reset(H->L)

19

A/Vee

Power supply for B/L (+)

20

K

Power supply for B/L (GND)








相關產品

122x32 繪圖型單色顯示模組 | BG12232D1

122x32 繪圖型單色顯示模組 | BG12232D1