• 16x1 字元型單色顯示模組 | BC1601D

16x1 字元型單色顯示模組 | BC1601D

● Character LCD display 16x1
● COB with metal frame
● 5x7 dots with cursor
● Built-in controller ST7066 or equivalent
● +5V single power supply
● 1/16 duty cycle
● LED B/L pins:15/16,or A/K or 1/2
● Option: LED B/L
● Option: +3V single power supply
● Option: Negative voltage
型號 : BC1601D

BC1601D

BC1601D 是一款 16×1 字元液晶顯示模組(LCM),採用晶片黏著封裝(COB, Chip on Board)製程,並配有金屬框架。

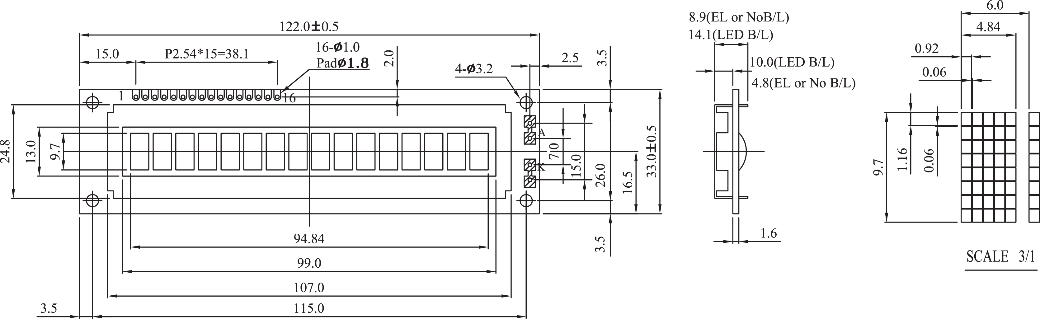
BC1601D 模組的外觀尺寸為 122.0×33.0 毫米,可視區域為 99.0×13.0 毫米。

內建 ST7066(或等效)控制器,支援多種語言字型,包括英文、日文、中文、西歐與東歐語系、俄文等。

本模組提供 無背光、LED 背光 或 EL 冷光背光 等選項。

BC1601D 液晶模組 可選擇 灰色、黃綠色 或 藍色 液晶顯示。

bc1601d-drawing.png





● Mechanical Data

Item

Standard Value

Unit

Module Dimension

122.0 x 33.0 

mm

Viewing Area

99.0 x 13.0 

mm

Dot Size

 0.92 x 1.16 

mm

Character Size

4.84 x 9.7

mm




● Pin Assignment

Pin

Symbol

Function

1

Vss

GND

2

Vdd

+5V (+3V option)

3

Vo

Contrast adjustment

4

RS

H/L register select signal

5

R/W

H/L read/write signal

6

E

H>L enable signal

7~14

DB0~7

H/L data bus line

15

A/Vee

Power Supply for B/L(+)/Negative voltage output

16

K

Power supply for B/L (GND)






相關產品

16x1 字元型單色顯示模組 | BC1601A

16x1 字元型單色顯示模組 | BC1601A