16x1 字元型單色顯示模組 | BC1601A
● COB with metal frame
● 5x7 dots with cursor
● Built-in controller ST7066 or equivalent
● +5V single power supply
5. 1/16 duty cycle
● LED B/L pins:15/16,or A/K or 1/2
● Option: LED array / edge B/L,EL B/L
● Option: +3V single power supply
● Option: negative voltage
BC1601A
BC1601A 是一款 16×1 字元液晶顯示模組(LCM),採用晶片黏著封裝(COB, Chip on Board)製程,並配有金屬框架。
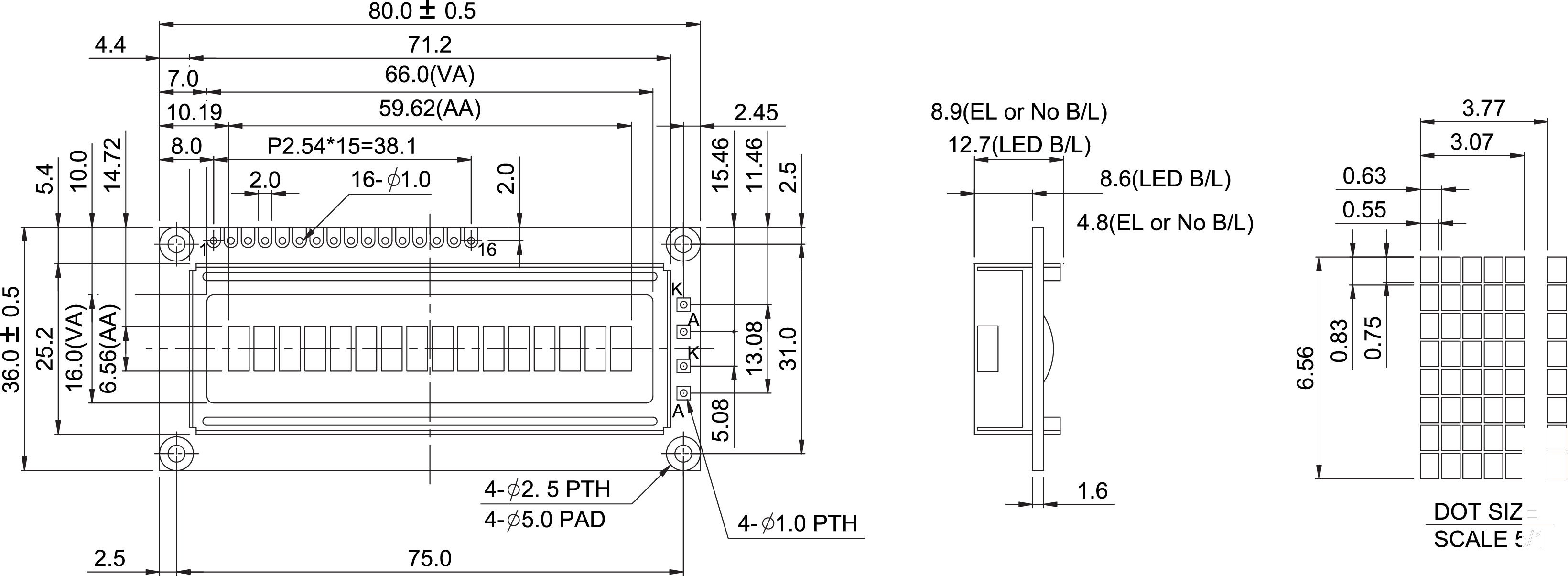
BC1601A 模組的外觀尺寸為 80.00×36.00 毫米,可視區域為 66.0×16.0 毫米。
內建 ST7066(或等效)控制器,支援多種語言字型,包括英文、日文、中文、西歐與東歐語系、俄文等。
本模組提供 無背光、LED 背光 或 EL 冷光背光 等選項。
BC1601A 液晶模組 可選擇 灰色、黃綠色 或 藍色 液晶顯示。

● Mechanical Data
Item
Standard Value
Unit
Module Dimension
80.0 x 36.0
mm
Viewing Area
66.0 x 16.0
mm
Dot Size
0.55 x 0.75
mm
Character Size
3.07 x 6.56
mm
● Pin Assignment
Pin
Symbol
Function
1
Vss
GND
2
Vdd
+5V (+3V option)
3
Vo
Contrast adjustment
4
RS
H/L register select signal
5
R/W
H/L read/write signal
6
E
H─>L enable
signal
7~14
DB0~7
H/L data bus line
15
A/Vee
Power Supply for B/L(+)/Negative voltage output
16
K
Power supply for B/L (GND)